产品分类
扁平电缆是WINFOX中最受欢迎的产品。 它简单,智能且易于使用。 它已广泛用于伸缩式装置或地毯装饰下。 扁平电缆可以完美满足人们日常生活中的需求。 先进的材料和技术使扁平电缆比传统电缆更加有用和耐用。 我们在电缆中使用最优质的材料,以确保为用户提供最佳和最长的耐用性,应用高级ETFE / FEP涂层以减少每根电线之间的干扰,编织铜套进一步提高了屏蔽性能,我们致力于提供 成本最低的可靠产品。
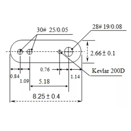
各种长宽/ 柔软度 / 耐磨性能 / 耐化学性能 / 抗张 / 可接受少量生产
由于产品图片仅为概念展示用之代表项目,因此若您无法在产品目录内找到您所需的产品或信息,欢迎您直接与我们联系洽询。
