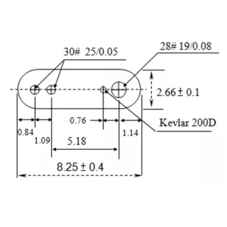
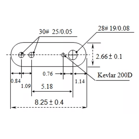
由于产品图片仅为概念展示用之代表项目,因此若您无法在产品目录内找到您所需的产品或资讯,欢迎您直接与我们联系洽询。
- Great experiences in slim and flat cable development, especially for retractable device or under carpet decoration use.
-
Custom requirements will be always acceptable to meet your special application that cable need to be flat and slim.
