PRODUCTS

Flat cables offer a flatter and thinner design compared to traditional round cables. They have individual encapsulated conductors precisely placed in straight lines and surrounded by insulation. Flat cables are suitable for applications that require flexibility or have tighter space requirements. Their unique design allows for easier bending and conformity to tight angles or cramped spaces without the risk of breaking.

Established in 1980, Winfox is one of the leading flat cable manufacturers in Taiwan. Our flat cables are manufactured with advanced materials and technology, making them more useful and durable than traditional cables. We prioritize the use of high-quality materials to ensure the best durability for our users. Our cables feature high-class ETFE/FEP coating to reduce interference between wires, while the braided copper sleeve further enhances shielding performance. We are committed to providing flat cable solutions meeting clients’ needs.

Feature

  • Customizable Dimension (Width & Thickness)
  • Good Flexibility
  • Abrasion and Chemical Resistance
  • Loading Strength
  • Small Quantity Production


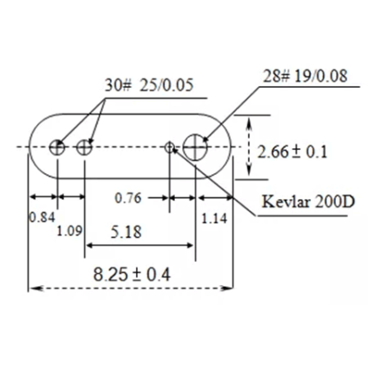
Please note that the product images on our website provide a brief concept and idea. If you need more information, please feel free to contact us directly.

flat cable-3

flat cable-3

Add Inquiry
flat cable-2

flat cable-2

Add Inquiry
flat cable-1

flat cable-1

Add Inquiry
CLOSE
Language
Inquiry Cart

Your inquiry cart total 0 items

Language selection